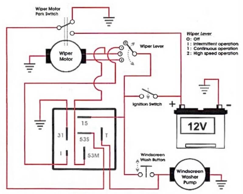
Intermittent Wiper

To enable the intermittent wiper feature on the Vectra stalk (Multiplug L23/24/27 on the dash’ loom) is a simple matter of just connecting the relevant stalk wires to an additional relay, and moving and putting in a couple of other wires…

...Not quite! It took an absolute age to get my head around what was going on.

Here’s the connectivity of what I’m doing, and how I did it